芯城品牌采购网 > 品牌资讯 > MOS

英飞凌OptiMOS™7系列震撼登场-芯城品牌采购网

英飞凌正式推出全新OptiMOS™7系列功率MOSFET,以“应用导向”创新思维重构产品设计逻辑,针对不同场景需求量身定制解决方案,不仅树立功率MOSFET技术新标杆,更将推动各行业功率转换系统迈入能效与性能双升级的新阶段。面向云端算力核心需求,OptiMOS™7开关优化型功率MOSFET专为未来数据中心、服务器及电信设备打造,为高负载电源管理注入“冷静基因”。该款产品针对硬开关与软开关拓扑进行专

芯城品牌采购网

3620

MOS管特点1、高输入阻抗:MOS管的输入电阻非常高,因此可以减小输入信号源的功耗。2、低输出阻抗:MOS管的输出电阻非常低,可以提供较大的输出电流。3、低功耗:MOS管的静态功耗非常低,几乎不需要电流输入。4、高速度:MOS管的开关速度非常快,可以实现高频率的开关操作。5、可控性强:MOS管的导通和截止可以通过控制栅极电压来实现,具有很好的可控性。MOS管工作原理MOS管主要由源极(Source

芯城品牌采购网

17452

CMOS-IC相关标准及规则JEDEC最低工业标准JEDEC最低标准是电子工业协会(EIA)联合电子器件工程委员会(JEDEC)主持下制定的CMOS集成电路的最大额定范围和静态参数的最低工业标准。下表即为JEDEC制定的CMOS集成电路的最大额定范围:电源电压:VDD~VSS18~-0.5V(DC)直流输入电流:IIN士10mA(DC)输入电压:VIVSS≤VI≤VDD+0.5V(DC)器件功耗:

芯城品牌采购网

8260

CMOS图像传感器-芯城品牌采购网

CMOS图像传感器概述CMOS图像传感器是一种典型的固体成像传感器,与CCD有着共同的历史渊源。CMOS图像传感器通常由像敏单元阵列、行驱动器、列驱动器、时序控制逻辑、AD转换器、数据总线输出接口、控制接口等几部分组成这几部分通常都被集成在同一块硅片上。其工作过程一般可分为复位、光电转换、积分、读出几部分。在CMOS图像传感器芯片上还可以集成其他数字信号处理电路,如AD转换器、自动曝光量控制、非均

芯城品牌采购网

11352

CMOS反相器-芯城品牌采购网

CMOS反相器特点(1)静态功耗极低。在稳定时,CMOS反相器工作在工作区Ⅰ和工作区Ⅴ,总有一个MOS管处于截止状态,流过的电流为极小的漏电流。(2)抗干扰能力较强。由于其阈值电平近似为0.5VDD,输入信号变化时,过渡变化陡峭,所以低电平噪声容限和高电平噪声容限近似相等,且随电源电压升高,抗干扰能力增强。(3)电源利用率高。VOH=VDD,同时由于阈值电压随VDD变化而变化,所以允许VDD有较宽

芯城品牌采购网

13523

CMOS传感器-芯城品牌采购网

CMOS传感器简介当今的CMOS图像转换技术不仅服务于“传统的”工业图像处理,而且还凭借其杰出的性能和灵活性而被日益广泛的新颖消费应用所接纳。此外,它还能确保汽车驾驶时的高安全性和舒适性。最初,CMOS图像传感器被应用于工业图像处理;在那些旨在提高生产率、质量和生产工艺经济性的全新自动化解决方案中,它至今(2020)仍然是至关重要的一环。据市场研究公司IMSResearch的预测,在未来的几年中,

芯城品牌采购网

14384

CMOS振荡器-芯城品牌采购网

CMOS振荡器参数・低压差工作:100%占空比・输出电压低至0.6V・1.33%输出电压准确度・在开关引脚提供可编程转换率・停机电流≤1μA・可调开关频率高达4MHz・内部或外部补偿・可选脉冲跳跃/强制连续/具可调突发箝位的突发模式工作・可选具内部补偿的有源电压定位・通道间可选0°/90°/180°相移・固定内部和可编程外部软启动・准确的启动跟踪功能・采用耐热增强型4×4mmQFN-24和TSSO

芯城品牌采购网

15669

CMOS射频集成电路发展在过去的十年中,寻呼机、无绳电话、模拟及数字蜂窝电话等个人通信系统以及数字电视、广播得到了迅猛发展,对重量轻、体积小、功耗低、成本低的收发器的需求也迅速增加,提高收发器的集成度无疑是满足上述需求的重要途径。在以往的收发器中,数字处理部分通常采用低成本的标准CMOS工艺,射频前端一般采用GaAs、Bipolar或BiCMOS工艺。由于数字处理部分的通常占到芯片面积的75%以上

芯城品牌采购网

10121

如何利用SiCMOSFET实现更高能效电力电子产品!-芯城品牌采购网

当您设计新电力电子产品时,您的目标任务一年比一年更艰巨。高效率是首要要求,但以更小的尺寸和更低的成本提供更高的功率是另一个必须实现的特性。SiCMOSFET是一种能够满足这些目标的解决方案。以下重要技巧旨在帮助您创建基于SiC半导体的开关电源,其应用领域包括光伏系统、储能系统、电动汽车(EV)充电站等。为何选择SiC?为了证明您选择SiCMOSFET作为开关模式设计的首选功率半导体是正确的,请考虑

芯城品牌采购网

12279

NXP恩智浦推出全新28nmRFCMOS雷达单芯片系列,赋能新一代ADAS和自动驾驶系统!-芯城品牌采购网

NXP恩智浦半导体,汽车雷达行业领导者(信息来源:YoleIntelligence)宣布率先推出全新28nmRFCMOS雷达单芯片系列,适用于新一代ADAS和自动驾驶系统。新推出的SAF85xx单芯片系列集成了恩智浦的高性能雷达感测功能和处理技术,可为一级芯片供应商和OEM提供更高的灵活性,支持短距、中距和长距雷达应用,满足更多更具挑战性的NCAP安全性要求。NXP恩智浦拥有技术领先优势已超过15

芯城品牌采购网

10524

解析功率MOSFET的驱动电感性负载-芯城品牌采购网

文章介绍了采用表面贴装封装设计LITTLEFOOT®功率MOSFET的过程。它描述了功率MOSFET的驱动电感性负载,公共栅极驱动器以及磁盘驱动器应用以及公共栅极级的驱动电容性负载。VishaySiliconix的LITTLEFOOT功率MOSFET将强大的功率处理能力封装在纤巧的表面贴装封装中。标准概述的8引脚SOIC封装(图1)具有铜引线框架,可最大程度地提高热传递,同时保持与现有表面贴装技术

芯城品牌采购网

8386

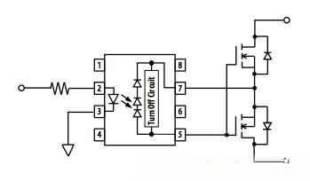
聊聊汽车级光伏驱动器和分立MOSFET-芯城品牌采购网

工程师已经研究和开发了可以代替机械继电器的固态继电器设备。与机械继电器相比,这些固态继电器具有更高的可靠性,更快的切换时间,没有切换弹跳以及更小的尺寸。但是随着这些优点的出现,带来了使设计人员和用户不愿使用固态继电器的缺点。诸如较高的成本和较高的相对导通电阻的缺点。本文讨论了汽车级光伏驱动器和分立MOSFET,以形成光隔离的固态继电器。借助光伏驱动器,设计人员可以从广泛的汽车级MOSFET产品组合

芯城品牌采购网

9033

MOS管GS波形的振荡是怎么回事?-芯城品牌采购网

我们很多时候都在波形,看输入波形,MOS开关波形,电流波形,输出二极管波形,芯片波形,MOS管的GS波形,我们拿开关GS波形为例来聊一下GS的波形。我们测死MOS管GS波形时,有时会看到下图中的这种波形,在芯片输出端是非常好的方波输出,但一旦到了MOS管的G极就出问题了,有振荡,这个振荡小的时候还能勉强过关,但是有时候振荡特别大,看着都教人担心会不会重启。这个波形中的振荡是怎么回事?有没有办法消除

芯城品牌采购网

6695

关于MOSFET漏极驱动的ZCD(零电流检测)引脚-芯城品牌采购网

本应用笔记介绍了从MOSFET漏极驱动的ZCD(零电流检测)引脚。该文档描述了标准的ZCD配置及其替代和电阻器配置。CS1601采用ZCD(零电流检测)设计,当流过升压电感器的电流接近零时,该控制器便具有开启MOSFET的能力。这也可以描述为谷/零交叉切换。这是通过在PFC扼流圈上添加检测绕组来检测电流来实现的。如果由于设计或制造方面的限制而在升压电感器上添加辅助绕组成为问题,那么下面将介绍实现此

芯城品牌采购网

9525

MOS管驱动电路有几种,看完就明白了-芯城品牌采购网

MOS管因为其导通内阻低,开关速度快,因此被广泛应用在开关电源上。而用好一个MOS管,其驱动电路的设计就很关键。下面分享几种常用的驱动电路。1、电源IC直接驱动电源IC直接驱动是最简单的驱动方式,应该注意几个参数以及这些参数的影响。①查看电源IC手册的最大驱动峰值电流,因为不同芯片,驱动能力很多时候是不一样的。②了解MOS管的寄生电容,如图C1、C2的值,这个寄生电容越小越好。如果C1、C2的值比

芯城品牌采购网

8315

近日,安森美公布了2022年第三季度业绩,其三季度业绩直线上扬,总营收21.93亿美元,同比增长25.86%;毛利10.58亿美元,同比增长46.82%。财报数据显示,其三大业务中,智能电源组营收为11.16亿美元,同比增长25.1%;高级解决方案组营收7.34亿美元,同比增长19.7%;智能感知组营收为3.42亿美元,同比增长44.7%,三大业务全线保持增长。自安森美总裁兼首席执行官Hassan

芯城品牌采购网

9806

021年6月8日–推动高能效创新的安森美半导体(ONSemiconductor,美国纳斯达克上市代号:ON),发布一对1200V完整的碳化硅(SiC)MOSFET2-PACK模块,进一步增强其用于充满挑战的电动车(EV)市场的产品系列。随着电动车销售不断增长,必须推出满足驾驶员需求的基础设施,以提供一个快速充电站网络,使他们能够快速完成行程,而没有“续航里程焦虑症”。这一领域的要求正在迅速发展,需

芯城品牌采购网

10276

MOS管的三个级究竟怎么判定?-芯城品牌采购网

相信很多工程师在使用电子测量仪器的时候大家都了解MOS管,下面一起看看MOS管究竟是什么。1.MOS的三个极怎么判定?MOS管符号上的三个脚,辨认要抓住关键地方:G极,不用说比较好认。S极,不论是P沟道还是N沟道,两根线相交的就是。D极,不论是P沟道还是N沟道,是单独引线的那边。2.是N沟道还是P沟道?三个脚的极性判断完后,接下就该判断是P沟道还是N沟道了:当然也可以先判断沟道类型,再判断三个脚极

芯城品牌采购网

11641

了解为高分辨率、高帧率CMOS图像传感器设计供电方案的挑战-芯城品牌采购网

摘要了解为当今高分辨率高帧率CMOS图像传感器设计供电方案的关键挑战,是设计一个满足每位设计工程师要求的含LDO(DC-DC,PMIC)的优化的电源系统方案的关键要素。电源系统设计人员需要知道不同应用中的电源方案有何不同,比方说,一个800万像素(MP)的相机与一个5000万像素的相机的电源方案有何不同,或帧率的不同(30fps、60fps、120fps)如何改变他们的电源设计,多大频率需要高电

芯城品牌采购网

10924